以前、「ポン出しも、エフェクトも、DAWとの連携もこれ1つでOK!ニコニコ公式放送機材、TASCAM MiNiSTUDIOが凄い!」という記事でも紹介した、TASCAMのMiNiSTUDIO。上位版のMiNiSTUDIO CREATOR US-42と標準版でマイク内蔵のMiNiSTUDIO PERSONAL US-32の2種類がありますが、遅まきながら先日、上位版のMiNi STUDIO CREATORのほうを入手して試してみました。
この機材、ニコニコ生放送をはじめ、AbemaTV FRESH!、SHOWROOM、ツイキャス、またUSTREAMといったインターネット生放送を手軽に簡単にスタートできるということで、話題を呼んでいるのですが、DTM用途のオーディオインターフェイスとしても、なかなか高機能・高性能なんです。そこで今回は、US-42をDTM的に見てどうなのか、という視点でチェックしてみたいと思います。

TASCAMのMiNiSTUDIO CREASTOR US-42をオーディオインターフェイスとして使ってみた
ネット放送の世界では大きな話題となっているMiNiSTUDIOシリーズですが、まったく知らないという人も少なくないと思うので、まずはMiNiSTUDIO CREATOR US-42について、改めて簡単に紹介しておきましょう。
作曲家の多田彰文さんと私とで隔週火曜日に放送しているニコニコ生放送、DTMステーションPlus!もそうですが、思った通りの音を放送するためにはいろいろな工夫が必要となってきます。たとえばしゃべった声を適度な音量で送出するには、音量調整だけでなく、コンプレッサを必要としたり、PCから出るiTunesの音や、ゲームの音を放送するためには、専用の機材かもう一台のコンピュータが必要となったり、複数のソースの音を切り替えたり、重ねるならミキサーが必要になるなど、結構大がかりになりがちです。

ステレオのレベルメーターも装備するMiNiSTUDIO CREASTOR US-42
それをパソコンとこのコンパクトな機材1つとだけで実現してしまおうというのがMiNiSTUDIOなのです。上位機種であるUS-42であっても、軽いし、見た目はシンプルではあるのに、かなりな高機能。上面に用意された2つの入力端子はマイクでもギターでも、ラインでも入力できるような設計になっており、その入力レベルを中央のレベルメーターでチェックすることができます。

2つあるコンボジャックに何を接続したかをスイッチで設定する
この際2つあるコンボジャックには、ダイナミックマイク、コンデンサマイク、ギター、ラインの接続が可能で、どの機器を接続するかでスイッチを切り替えるようになっています。ここでコンデンサマイクのアイコンを選択すれば自動的にファンタム電源がONになるというのも、初心者にはわかりやすい工夫になっていますよね。

EFFECTボタンを押すと、内蔵DSPによるエフェクトが機能する
さらに、マイクから入るしゃべり声や歌声にツマミひとつでリバーブを掛けていくことができるし、EFFECTボタンを押せば、前述のコンプレッサやEQのほかいろいろなエフェクトが使えるようになっています。そして、ループバック機能を装備しているので、PCから出す音も、US-42内でミックスすることができるし、AUX入力にiPhoneなどのオーディオ出力を入れれば、これも同じくミックスすることができる仕組みです。

ヘッドホン出力は標準とミニ、また右側にはAUX入力があるほか、ヘッドセット用のマイク入力も用意されている
また、MiNiSTUDIOならではの機能として用意されているのがPONボタン。いわゆるポン出し機能であり、ボタンひとつで「ピンポーン!」、「ブブーー!」、「わぁ~(拍手喝采)」といった音を鳴らすことができるのも便利なところです。
もちろんWindowsでもMacでも使うことができ、配信ソフトもWireCast、Niconico Live Encoder、Flash Media Live Encoderでも、またブラウザ標準のものでも何でも使えるのも大きな特徴です。

スイッチで放送用のBROADCASTモード、DAW用のCREATORモードに切り替えることができる
でも、このMiNiSTUDIOには、スイッチ一つでBROADCASTモードとCREATORモードというのに切り替えることができるのが重要なポイントとなっているのです。名前からも想像できるとおり、BROADCASTモードというのは、放送用のモードであり、ON AIRボタンでインターネット放送の送出をON/OFFできるようになっています。
一方、CREATORモードにすると、最高で24bit/96kHzで動作する2IN/2OUTのASIO/CoreAudio対応のオーディオインターフェイスに変身するのです。でも、単なるオーディオインターフェイスに留まらず、DSP内蔵の高性能オーディオインターフェイスとして動作してくれるのです。

CREATORモードのブロックダイアグラム
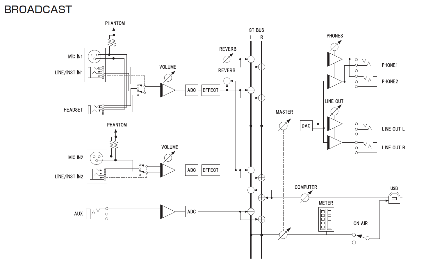
まずはこのCREATORモードでのブロックダイアグラムをご覧ください。初心者ユーザーにはちょっと難しいかもしれませんが、中級・上級者の方なら、これを見ることで、US-42の面白さがすぐに実感できるのではないでしょうか?ちなみに、BROADCASTモードの場合は、以下のブロックダイアグラムのようになるのです。

BROADCASTモードのブロックダイアグラム
ここからはCREATORモードに絞って見ていきますが、このモードの場合、たとえばボーカルをレコーディングする際、ヘッドホンやメイン出力から返すモニターにはリバーブがかかりますが、DAWには入っていく信号はSUB BUSなので、リバーブはかからない生の音がレコーディングされます。また、ボーカリストが気持ちいい感じでリバーブが返せるよう、本人がノブを回して調整できるというのも便利なところですよね。
ただしDAWに入るのが生の音である、という言い方は正確ではありません。何もいじらない生の音が入れられるほか、EQ、ダイナミクス、エフェクトを掛けた音で録音していくことも可能になっているのです。

MiNiSTUDIO Setting PanelのEASYモード
その辺を司るコントロールソフトとして、MiNiSTUDIO Setting Panelというものがあるのですが、これのEASYモードを使うのがまず簡単です。1ch(MIC 1)、2ch(MIC 2)それぞれ独立して設定できるようになっているのですが、SOUNDのほうで、音質の設定を行います。
Hard Vocal、Soft Vocal、Hard Spoken、Soft Spokenから選択することでEQやダイナミクスが設定されて音の雰囲気が変わります。Offにすれば生の音ですね。
右側のEFFECTではMALE(女性の声を男性風に)、FEMALE(男性の声を女性風に)、ECHO(エコー)、CHOPPER(トレモロサウンド)、RADIO(ラジオボイス)にする設定が用意されており、これらから選んだ上で、EFFECTボタンをONにすることで、それが効く仕組みになっているのです。

MiNiSTUDIO Setting PanelのEXPERTモード
しかし、面白いのはここから。EXPERTを選ぶと、もっとより細かく音作りの設定ができるようになっているのです。やはり1ch、2chともに独立した形で4バンドのEQとコンプレッサが設定できるほか、各エフェクトの効き具合も設定できるのです。
そして、ここで作り込んだ音のまま、DAWのトラックへ掛け録りの形でレコーディングされていくわけです。
なお、ここにはDIRECT MONITORというスイッチがありますが、これも重要なファクターとなっています。これがOFFであれば、DAW側からの戻りがモニターされるのに対し、MONOだと片チャンネルに入ってきた音をステレオでモニターすることができ、STEREOにすれば、1chは左、2chは右の形でモニターされるようになります。
また、DIRECT MONITORではありますが、前述のEQ、コンプおよびエフェクトがかかった音でモニターされるというのも要チェックですよ!

iPhoneやiPadと接続する場合は、microUSBケーブルで電源供給する
さらにもう一つピックアップすべき点は、このMiNiSTUDIOがUSBクラスコンプライアントなデバイスであるということです。つまり、これをiPhoneやiPadにUSB-Lightningカメラアダプタ経由で接続すると、オーディオインターフェイスとして機能するということです。

iPadのAuria ProやCubasisのオーディオインターフェイスとしてMiNiSTUDIO CREASTORを利用できた
したがって、CubasisやAuriaProなどを使ってレコーディングすることができるのです。ただし、iPhoneやiPadからの電源供給でMiNiSTUDIOは駆動できないため、別途用意されているmicroUSB端子に電源供給することで使えるようになります。
また、ここで気になるのがMiNiSTUDIOのDSPがどのように機能するのか、という点です。実際に試してみたところ、これがまたうまくできているんです。PC側のMiNiSTUDIO Setting Panelで設定した内容を一度電源を切り、PCと切り離してもしっかり覚えているんですね。
したがって、リバーブを掛けながらモニターすることもできるし、EQやコンプ、エフェクトを掛けた音をCubasisやAuria Proなどにレコーディングしていくこともできるのです。こう考えると、かなり汎用性が高く、高機能なオーディオインターフェイスであることが分かると思います。
このようにMiNiSTUDIOは、インターネット放送で使える高性能なオーディオ機器であると同時に、DSP搭載の強力なオーディオインターフェイスとしても使えるユニークな機材なのです。
【製品情報】
TASCAM MiNiSTUDIO CREATOR製品情報
TASCAM MiNiSTUDIO PERSONAL製品情報
【価格チェック】
◎Amazon ⇒ MiNiSTUDIO CREATOR US-42W , MiNiSTUDIO CREATOR US-42B
◎サウンドハウス ⇒ MiNiSTUDIO CREATOR US-42W , MiNiSTUDIO CREAOTR US-42B
◎Amazon ⇒ MiNiSTUDIO PERSONAL US-32
◎サウンドハウス ⇒ MiNiSTUDIO PERSONAL US-32



コメント
毎度楽しみに拝見しております。
前々から気になっていた機材だったのですが、ループバックを入れた状態でDAWを録音状態にした際は他のループバック対応インターフェイス同様マイクとinst音源等が同時に録音されるんでしょうか?
この製品はマイクにDAW上でエフェクトをかけた音と、パソコン内で流してるニコカラなどをmixして配信って出来ますか?
始めまして
ボカロ用にボイスロイド3ゆかりって奴に会わせてすべて機材から揃えるって感じ何ですが
購入する点の注意とかってありますか?
PCからキャスティングミキサーにキーボード
モニタースピーカーオーディオインターフェース何ですが覚えて来たらある程度何でもできる感じが欲しいのですがどれがおすすめってあるなら助かります
おいちゃんさん
こんにちは。お返事が遅くなって失礼しました。
DAWで使う場合、ループバックはオフにするのが鉄則ですが、どういうことがしたいのでしょうか?
ループバックをオンの状態で、トラックをモニターすれば、当然のようにハウリングを起こしてしまうので、オフにせざるを得ないと思います。もしろん、トラック側からのモニターをオフにすれば、ループバック状態でも動作はし、ほかのトラックの音をバウンスすることは可能ですよ。
せぶんさん
こんにちは。はい、可能です。この記事では書いていませんですが、MiNiSTUDIOはASIOドライバを2つ装備していて、通常使うのとは別に、エフェクトをかけることだけのためのASIOドライバがあるので、そこにDAWを噛ますことで、そうしたことが実現できます。
ニコさん
こんにちは。ごめんなさい、よく状況が分からないので、もう少し、状況を分かりやすく教えてもらえますか?求めるようなアドバイスができるかは分かりませんが…
申し訳ないです説明不足でした
ボイスロイド4ゆかりスターターパックって奴に合わせて機材集めしたいのですが
Windows10のデスクトップでも他のボーカロイドは使えるとのでしょうか?
CPU Ci5の奴かic7のでも悩んでいる状態です
フォーカスライトのオーディオインターフェースと初音ミクのミキサー
モニタースピーカーはマッキーのと
アカイのキーボードにしようと思っているのですが、相性とか基本あるのでしょうか?
お返事ありがとうございます。やはり他の機材と同様のループバックですよね。
DTMステーションでやっているように、生放送しながら録音が何かしらの方法でできないかと思って気が向いたときにいろいろ模索している次第です。
ニコさん
なるほど、ボーカロイドはどれも同じシステムなので、Windows10のマシンで問題なく動作しますよ。また、それほどCPUパワーを食うわけではないので、i5でも十分動作します。
また、オーディオインターフェイスはどれを使っても、問題なく動きます。自分の好みや価格で選んで大丈夫です。ただし、古い機材を中古で買うのはお勧めしません。中にはWindows10のドライバに対応していないものもあるので…
ありがとうございます!
やる気が湧いて来ました!
DTMのデスクトップやはりデルとかゲーミングPCでも大丈夫でしょうか?
ニコさん
できれば、あまりほかのアプリケーションがあまり入っていないほうが安心ですが、まったく問題ないですよ。
はじめまして♪
知りたい情報がいつもとてもわかりやすく書かれていて、感謝です!( ..)”
この機種を生放送用にとチェックしているのですが、ひとつお伺いしたいことがあります。。
効果音のポン出しのように、BGMや曲の切り替えもハード側の操作で出来るのでしょうか?
お時間のあるときにご回答頂けますと幸いです( ..)”
のんこさん
コメントありがとうございます。
残念ながら、BGMの切り替えや曲のスタートストップなどはできないですね。
でもそんな機能があったら、さらに便利ですよね。
早々のお返事、ありがとうございます!(^-^)
なるほど、そこまでは・・ですね。
いつかハード側でそれが出来るものが出てくれることを期待して待ってみます(-^〇^-)
お忙しいところ、ありがとうございました!( ..)”
来年で登場10年ですが、いまでも楽天Tascam公式ショップで在庫が補充されています。
RMAAの測定ではAG03 mk2を圧倒する性能ですが、なぜかAG03の音質を推すレビューが多いのが謎です。
USBクラス・コンプライアントなのにWindowsでドライバ無しだと動かないとこだけなんとかなれば良かったんですが・・・