先日ZOOMから発表され、8月末の発売が予定されているデジタルミキサー、LiveTrak L-12(実売価格、税込み68,000円前後)。24bit/96kHzで動作するデジタルミキサーで、入力はモノラル8ch+ステレオ2ch×2の計12chの入力を持つとともに、USBでPCと接続すればオーディオインターフェイスとして使えたり、さらには各ミキサーチャンネルの入力をそのままパラでWAV録音できるなど、かなり考え抜かれた仕様となっているんです。
私もニュース記事で見かけて知り、「これはかなり、良さそう!」と思い、すぐにZOOMに連絡してみたところ、発売前の製品を少しお借りすることができました。まだ、軽く触った程度ではありますが、DTMユーザーにとってはかなり理想的なミキサーとなっていたので、実際どんな機能、性能を持った製品なのか、紹介してみたいと思います。
L-12は、本当に多機能な機材ですが、実際にモノを見て、最初に驚いたのはそのコンパクトさです。下の写真の通り、横幅はPCのキーボードとほぼ同寸。奥行きはその2倍で高さも同じくらい(445mm×282mm×70.5mm)。そう、ちょうどPCのキーボードを2つならべたようなサイズで、重量も2.53kg(軽くて小さいACアダプタが別にありますが)と軽いから、狭いDTM環境でも気軽におけるというのがグッと来るところでした。
PCのキーボードとほぼ横幅が同じで、奥行きが倍くらいのサイズ感
そして、まず一番の機能は12chのミキサーであるということ。このミキサーがとってもシンプルな構造で分かりやすいんです。冒頭でも書いた通り、ここにはモノラル8系統とステレオ2系統が入力できるようになっていますが、その構成は写真を見た通りのまま。
上から見たLiveTrak L-12。オーディオの入出力はすべて上面にコネクタが用意されている
とはいえ、少し解説すると、まず前述のとおりL-12はモノラル8系統+ステレオ2系統の計12chのミキサーになっており、それぞれに対応した入力が上に、フェーダーが下に並んでいます。モノラルはXLR/TRSに対応したコンボジャックで、マイクもラインも受けられるようになっています。

各チャンネルごとに独立したコンプレッサが搭載されている。1ノブで調整できるのも便利
そして1、2chはギターなどを直接接続できるHi-Z対応、3~8chは入力レベルを抑えるPADボタンが装備されています。それぞれの入力ゲインを調整できるほか、各チャンネルに1ノブで操作できるコンプが搭載されているのも、とっても便利なところです。

各チャンネルごとにHI、MID、LOWの3バンドEQを設定できるようになっている
さらにSELボタンでチャンネルを選んだ上で右側を見ると、3バンドのEQを設定できるようになっているのも重要なポイント。複雑なメニュー操作をするのではなく、盤面にあるボタンとノブだけで、各チャンネルのコンプ、EQまで使えちゃうのが嬉しいですね。
USB 1-2、USB 3-4のボタンをONにすると9/10ch、11/12chにUSBからのオーディオ信号が立ち上がる
そして、9ch/10chおよび11ch/12chのステレオ入力が、L-12のDTMとの相性の良さを象徴する一つのポイントとなっているのです。そう、このステレオ2系統にはライン入力を立ち上げることができるだけでなく、USBボタンを押してONにすると、PCからのUSBオーディオに切り替えることが可能になっているのです。
PC側から見ると14IN/4OUTのオーディオインターフェイスとして見える
L-12をPC側からDAWを介して見ると14IN/4OUTという構成になっており、その4OUTが9~12chに割り当てられているんですね。一方の14INというのは、各12chに入力された信号(コンプ、EQを通過したフェーダーの前の信号ですね)が入ってくるほか、L-12でミックスされた結果のマスターが13/14chとして入ってくるのです。
L-12のリアパネル
そうL-12はPCにとって、そのまま使えるオーディオインターフェイスであり、しかもコンプを通した音を掛け録り可能な機材となっているわけです。難点を挙げるとしたら、このオーディオインターフェイスとして使う場合は24bit/44.1kHz、24bit/48kHzに限定されて24bit/96kHzモードが使えないという点ですが、ここはミキサーとして割り切るのがいいかもしれませんね。

CLASS COMPLIANT MODEをONにすると、iPadやiPhoneのオーディオインターフェイスとして使うことができる
ちなみにWindowsならASIO、MacならCoreAudioのデバイスとして見えるわけですが、リアのスイッチをCLASS COMPLIANT MODEに設定すると、iPadやiPhoneなどとも接続することが可能となり、この場合も14IN/4OUTのオーディオインターフェイスとして使うことができるので、モバイル環境での活用には良さそうですね。

16種類の中からエフェクトを設定し、各チャンネルからのセンド量を調整する
さて各チャンネルに使えるコンプ、EQに加えて、強力な武器になるのが内蔵のセンド・リターンのエフェクトです。これはHall、Room、Plate、Spring、Churchなどのリバーブおよびディレイ、そしてボーカル専用のリバーブ4種など、計16種類。ディストーションやフランジャーなど積極的に音を作るものではなく、空間系が主体となっていますが、これが内蔵で使えるのは便利ですね。
やはりSELでセンドしたいチャンネルを選んだ上でセンド量を決めます。またリターンに関しては、マスターフェーダー左のEFX RETERUNで調整できるようになっています。
リアのSDカードスロットにSDカードを挿しておくと、ここに各チャンネルの音をレコーディングできる
そしてL-12最大の特徴ともいうべき点が、各12chに入ってくる音すべてをSDカードにデジタルレコーディングできるという点です。どのチャンネルをレコーディングするか、チャンネルにあるREC/PLAYボタンボタンを押して赤く点灯するRECモードにした上で、右下の録音ボタン&再生ボタンを押せば、もうそれだけで、各チャンネルごとにWAVでレコーディングすることができるんです。

録音したチャンネルのREC/PLAYボタンをREC状態にして録音ボタン&再生ボタンを押せばレコーディングスタート
当然1~8chはモノラルのWAVファイル、9~12chはステレオのWAVファイルとなり、サンプリングレートはリアのボタンで、96kHz、48kHz、44.1kHzから選択できるようになっています。簡単でしょ。
またこのレコーディングの際(必要に応じてプレイバックの際も)、メトロノームを鳴らすことができ、もちろんテンポ調整をしたり、プリカウントの設定ができるあたりも、しっかりと作りこまれていますね。
そしてレコーディングしたデータを再生する際も、もちろん各チャンネル別に独立して再生することができます。どのチャンネルを再生するかは、先ほどのREC/PLAYボタンを押して緑に点灯するPLAYモードにすればOK。こうすることで、各チャンネルの入力側は遮断されて、録音した音が再生されるわけです。各チャンネルの音量はフェーダーで調整することが可能となっています。
OVER DUBボタンをONにすれば、重ね録りも可能
しかも、すでにレコーディングしたトラックを再生しながら別のトラックをレコーディングするオーバーダブ機能もあるし、やろうと思えばパンチイン/パンチアウト、といったこともできるので、ある意味、このL-12さえあれば、DAWなしでもそれなりのレコーディングが可能になるわけです。
しかも48kHz、44.1kHzを選択した場合は、各12chを同時レコーディングできるほか、ミックスした結果のマスターも別のWAVファイルとしてレコーディングできるのです。このマスターに関しては、マスターフェーダーを通した音として録れるから、まさにトラックダウンまでできちゃうんですよね。なかなか面白いと思いませんか?

メイン出力であるMASTER OUTとは別に、A~Eの5系統のMONITOR OUTがある
さて、このL-12のミックスした結果はMASTER OUTとあるXLR端子から出力される形になっているのですが、それとは別にMONITOR OUTというものが用意されており、ここにTRSのステレオ出力があるほかA、B、C、D、Eと5つの標準ジャックのヘッドホン端子が用意されているのが、スゴイところです(AのみはTRS×2のライン出力とヘッドホン出力がある)。これ、どういう意味だか分かりますか?

A~Eのそれぞれで出力レベルを設定できるという次元に留まらない…
前述の通り、各チャンネルのコンプ、EQを介し、フェーダーでバランスをとり、エフェクトも設定してMASTER OUTから出力するわけですが、これとはまったく別のミックスをMONITOR OUTから出力できるようになっているのです。

MASTER、A~Eのボタンを押すことで、6系統、まったく異なるミックスを行うことができる
たとえば、ライブにおいてバンドメンバーで演奏する場合、観客に聴かせるためのバランスの取れたミックスはMASTER OUTから出す一方で、ボーカル用にはボーカルの返しを大きくした専用ミックスをA端子から出力、ギタリスト用には、ドラムとギターを中心にした音をB端子から、さらに、ベーシスト用には、ベース以外のローをカットした音をC端子から出力するなど、それぞれ別の設定にして出力することができるのです。まさにレコーディングスタジオにあるCUEボックスのような役割ですね。
※2020.4.6 上記、個別の出力に対してのEQ設定はできませんでした。お詫びして修正いたします。

計9種類のシーンとして記憶させることも可能
これらはFADER MODEというところでMASTERおよびA~Eのボタンを押して選ぶようになっているから扱いはいたって簡単です。しかも、この設定した状態をシーンとして保存することができるようになっており、シーン1~9の9種類を別々に保存できるから、たとえばライブハウスで使い、リハ時にバンドごとに設定した内容をシーン保存しておけば、本番で簡単にリコールして使うことができるわけです。
もちろん、自宅のDTM環境で使う場合でも、予めよく使うセッティングを行っておけば、次回以降、1発で呼び戻すことができるというのは便利そうですよね。なおヘッドホン・ボリュームA~Eの下にあるMASTERという各ボタンをONにすると、マスター出力と同じ信号に切り替えることも可能になっています。

ちなみに、オマケ機能的ではあるけど、実際かなり便利に使えるのが、内蔵のマイクです。SLATEボタンを押すと、このマイクが使えるようになり、トークバック用に使ったりもできるのですが、このマイクをどのチャンネルに割り当てるかの設定もできるから、これを使ってレコーディングする……なんてことまでできちゃうんですよね。まあ、音質的には外部マイクを接続したほうがいいとは思いますが、ちょっとしたときに重宝しそうですよね。
いろんなことができすぎて、複雑に見えたかもしれませんが、L-12がよくできているのは、ミキサーを使うという面においては、メニュー階層などなく、盤面のボタンやノブ、フェーダーを動かすだけで使うことができるので、直感的にすぐに分かるという点です。メトロノームの設定やSDカードのフォーマットといった操作だけは、右側の液晶パネルを使ってメニュー操作しますが、それにしてもほぼマニュアル不要で、すぐに使えると思います。この辺のUIはなかなかよくできていますね。

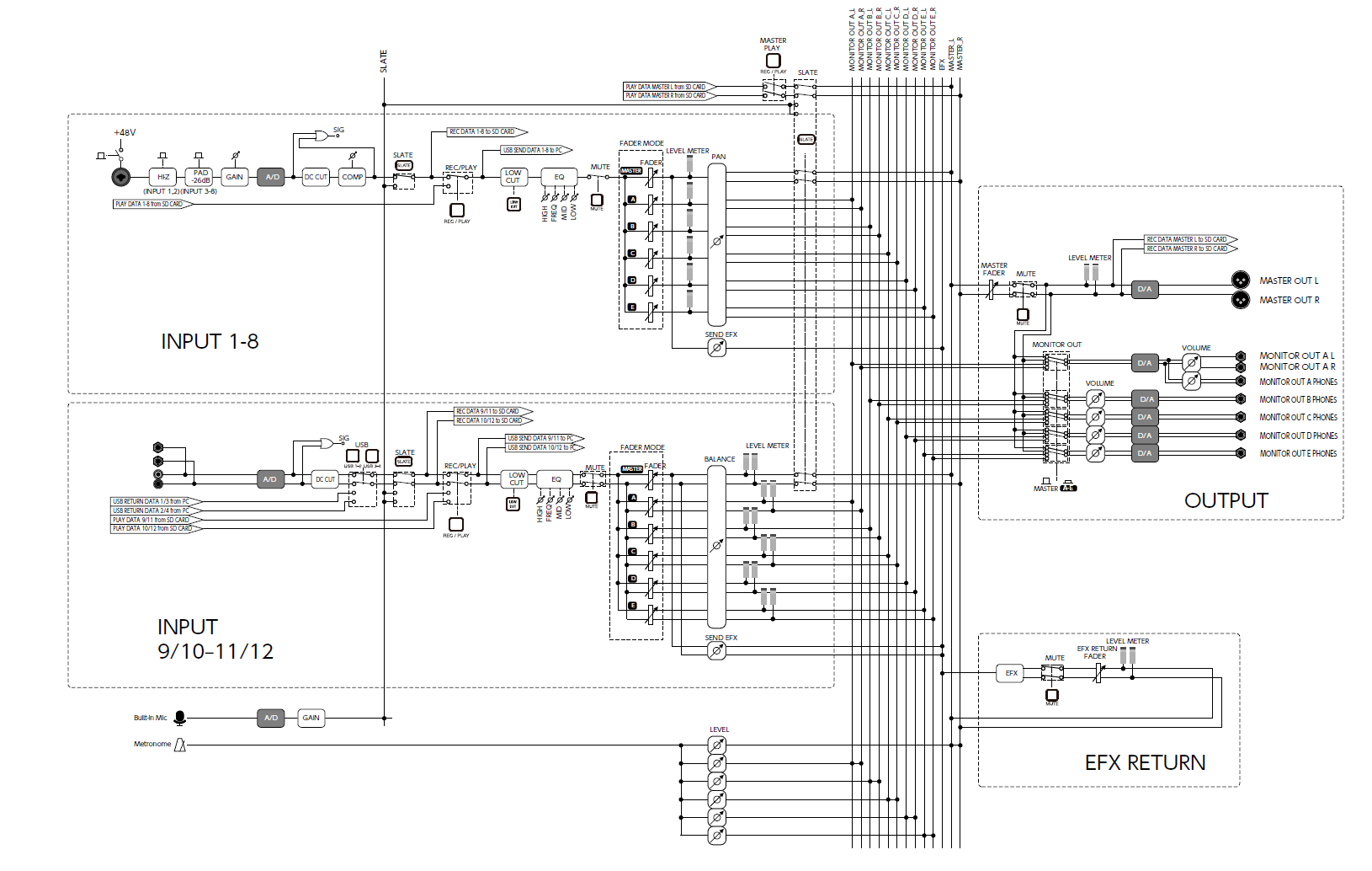
ZOOM LiveTrak L-12のブロックダイアグラム
全体的な信号の流れについては、ブロックダイアグラムを載せておきますので、参考にしてみてください。
USBのMODE切り替えとして、AUDIO INTERFACE、CARD READER、USB HOSTの3つがある
最後にUSB周りについて、かなりいろいろな機能があったので、そこについて補足しておきます。まずPCと接続すると14IN/4OUTのオーディオインターフェイスとして使うことができるわけですが、これはUSBのMODEスイッチを「AUDIO INTERFACE」に設定した場合です。

USB HOSTモードにすることで、USBメモリを活用することも可能
ほかに「CARD READER」に設定すると、PCからSDカードの中身を見られるようになります。さらに「USB HOST」に設定すると、USB TypeAの端子が有効になり、ここにUSBメモリを挿して、録音したWAVファイルの書き出し/読み込みやSDカードのバックアップ、リストアなどもできるようになるんです。この辺をどう活用するかはアイディア次第ですね。
以上、ZOOMのデジタルミキサー、LiveTrak L-12についてざっと紹介してみました。スタンドアロンのデジタルミキサーとして使え、オーディオインターフェイスとしても利用でき、これ自体でレコーディングもできるという、まさに万能機材。iPhoneやiPadとの組み合わせも可能なので、DTMユーザー必須のアイテムになりそうです。
【製品情報】
ZOOM LiveTrak L-12製品情報
【価格チェック】
◎Amazon ⇒ LiveTrak L-12
◎サウンドハウス ⇒ LiveTrak L-12
◎イシバシ楽器 ⇒ LiveTrak L-12













コメント
わんぱぶさん
残念ながらADATもS/PDIFもないんですよね。
確かにUACシリーズと連携できたりするといいですね。
今後の製品への提案ということで、ZOOMさんにも伝えておきます!
コスパいいですね。
SDカードやPCに録音するのがCOMPの前だったらよかったな。
素の音で録音しておいて、ミックスの時に調整したいので。
Phaseスイッチがないので、反転ケーブルを何本か用意しなくちゃ、です。(キックとか)
藤本健さん
ぼやきのようなコメントにお返事ありがとうございます。おぉ!ZOOMさんにお伝えいただけるとは(感激)。
趣味のDTMerでもそうかもですが、仕事なんかで使う場合はバンドの人数が増えたり、より大きなプロジェクトを任されたりした時にどうしても拡張していかざるを得ない場合がありますから、時にせっかく気に入った機材を買い換えないといけないのは残念なんですよね。同じメーカーが拡張の選択肢を用意してくれていたら、気に入った機材+αで使い続けられるのでその方がいいと思ってます。ZOOMさんは貧乏学生の頃買ったZOOM9050ってエフェクターの頃から好きで使っているので是非よろしくお願いします。
この手のミキサーやMTRは
数値でスペックに表せない
アンプ部で違って来る
音の良し悪しが気になります。
モニターアウトが5系統ありますが、ヘッドホンでなく、パワードスピーカーなどに繋いでモニターすることもできますか?
uzさん
モニターAはヘッドホンoutと並行して、TRSステレオ出力があるので、パワードスピーカーに接続可能ですよ。
この手の商品にMackie Control 付けて欲しい
Mackie コントロールホシイですよね
ついでに付属されてるエンコーダ?でロケートも
って、Zoomには希望だしましたが
あー あれこれ言えばきりがないですが、アウトが4というのは少ないかな
コウツカさん
恐らくではありますが、ステレオとモノラルの関係ではないか、と。完全にステレオ分離された環境では、普通に聞くことができても、それを1chに強制ミックスすると音が消えてしまうという現象が起こっているのではないでしょうか?ステレオイメージャーなどを強力に使うと、左右で位相が逆転します。その結果、それをミックスると音が消えてしまうのです。その辺を再検証してみてはいかがですか?
ZoomのTAC-8 (UAC-8)とどっちが同期ライブに向いてるのでしょうか?
具体的な向き不向きなどありましたら教えていただきたいです。
記事にしても需要あると思いますので、何卒よろしくお願いします。
最近この記事を拝見させていただきました。当方現在LiveTrak L12を使用していますが、記事中に気になったところがありましたのでコメントさせて頂きます。
『ボーカル用にはボーカルの返しを大きくした専用ミックスをA端子から出力、ギタリスト用には、ドラムとギターを中心にした音をB端子から、さらに、ベーシスト用には、ベース以外のローをカットした音をC端子から出力するなど、それぞれ別の設定にして出力することができるのです。』
と記載してありますが、『ベース以外の音をローカッとした音をC端子から・・・』はどのように操作したらそういった動作になるのか分かりません。
エフェクトはA~E端子を個別に設定できないような気がするのですが、如何でしょうか?
ゆりあぱぱさん
ご指摘ありがとうございます。私のミスでした。おっしゃるとおり、できないですね。記事のほう修正いたしました。ご迷惑をおかけしました。